KS 凱盛塑膠
  • 返回首页
  • 网站地图
  • 联系我们
    首 页 產品中心 走進凱盛 服务和支持 诚聘英才 联系我们 客户留言
1 絕緣配線槽系列 2 配線標誌系列 3 尼龍紮線帶系列 4 結束帶系列 5 固定座系列 6 浪管 固定頭系列 7 保護部品系列 8 接線頭系列 9 套管系列 10 固定夾系列 11 PC板部品系列 12 扣具系列 13 端子及工具 15 橡膠製品
公司简介 组织结构 资质和荣誉 企业文化
服务细则 服务内容

產品中心

1 絕緣配線槽系列
2 配線標誌系列
3 尼龍紮線帶系列
4 結束帶系列
5 固定座系列
6 浪管 固定頭系列
7 保護部品系列
8 接線頭系列
9 套管系列
10 固定夾系列
11 PC板部品系列
12 扣具系列
  • 插鞘式扣線套
  • 插鞘式扣線套
  • 馬鞍型夾線套
  • 插鞘式扣門套
  • 插鞘式扣線套
  • 馬鞍型夾線套
  • 更多..
13 端子及工具
15 橡膠製品

 

  • 首页
  • 產品中心
  • 12 扣具系列

12 扣具系列


点击放大
产品名称: 電晶體座
产品型号: THR-2
产品简介:
详细说明

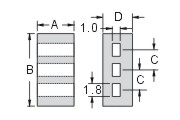
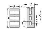
1301 KSS 電晶體座

Transistor Housing



材質: UL合格之NYLON 66(本色),防火等級 94V-2。

 

 

 

  單位:mm
  型 號
Item No.
尺寸
Dimension
包 裝
Packing
A B C D
  THR-2 5.0 10.1 2.8 4.0 100 pcs / 包

 

 

最新评论

更多

快速评论

标题:         姓名:
内容:
 

网站地图|联系我们|客户留言|诚聘英才|管理后台|
Copyright 2011 © 東莞市凱盛配線器材有限公司 粵ICP备200608091789号
絕緣配線槽、配線標誌、尼龍紮線帶、結束帶、配線固定座、配線固定夾、配線固定鈕、電線固定片、電線固定頭、浪管固定頭、浪管、電源線扣、扣式護線套、扣式塞頭、護線環、接線頭、套管、PC板隔離柱、尼龍鉚釘、LED座、塑膠螺絲、端子、PC板焊接端子、腳墊、護蓋、密封圈(O型圈)、電子塑膠產品等。